





Potmeter schuif 10K ohm lineair 60mm 1-kanaal 40mm slide schacht 15×1.2mm B10K
€ 1,37 incl. BTW
Availability: 50 op voorraad
Artikelnummer: ELK-2172-P601B1K
Categorie: Potmeter Analoog
Tags: 10K Ohm, 15x1.2mm, 2-kanalen, 60mm slide, 75mm, B10KX2, lineair, Potmeter, schacht, schuif
- Beschrijving
- Aanvullende informatie
- Q & A
Beschrijving
Let op: Deze potmeter is lineair en dus veelal voor audio toepassing niet geschikt!
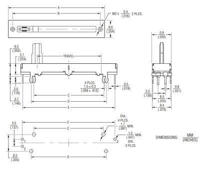
Specificaties:
- Weerstand: 10kΩ
- Weerstand verloop: Lineair
- Aantal kanalen: 1
- Aantal pinnen: 3
- Schacht parameters (lxbxh): 15x4x1.15mm
Note: de potmeter werkt vooral rond het midden lineair. Aan het begin en einde van de slag is het verloop minder lineair. Dit is een normaal kenmerk van lineaire schuifpotmeters.
Aanvullende informatie
| Gewicht | 8 g |
|---|---|
| Afmetingen | 7,5 × 1 × 3 mm |
| Lengte (mm) | |
| Weerstand (Ω) | |
| Type | |
| Karakteristiek |
Please login to post questions












